AMT
AMT 3826-99 2" Thermoplastic Self-Priming Dewatering Pedestal Pump (Buna-N Seal, 5 HP Min)
AMT 3826-99 2" Thermoplastic Self-Priming Dewatering Pedestal Pump (Buna-N Seal, 5 HP Min)
SKU:3826-99
Couldn't load pickup availability
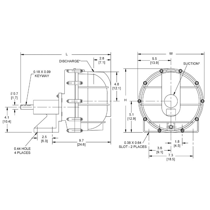
AMT 3826-99 2" Thermoplastic Self-Priming Dewatering Pedestal Pump is designed, manufactured and tested in the USA. This model has a 3/4" solid shaft and requires a minimum of 5 HP. A strong and light-weight thermoplastic body increases durability and life of volute. AMT Pump Company is a subsidiary of The Gorman-Rupp Company.
Specifications:
-
Pump Body: Thermoplastic
-
Mechanical Seal: Buna-N
- Maximum Flow Rate: 138 gpm - See Performance Chart
-
Ports: 2" NPT
- HP Required: 5
- Shaft: 3/4" Keyed Solid
- Maximum Speed: 3600 RPM
- Weight: 20 lbs
AMT Self-Priming Solids Handling Pedestal pumps are designed for direct or belt drive. Specific units are available in cast aluminum, cast iron or thermoplastic construction material. The units feature 3/8″ to 2″ solids handling construction and are fitted with a cast iron bearing housing, which contains two or three precision sealed ball bearings depending on specific model. Easy cleanout design by removing casing bolts permits removal of debris without disconnecting hoses. The 3″ & 4″ trash pump models feature cleanout covers with quick release handles for removal of debris. All units are self-priming to 20 feet.
Series Features:
- Thermoplastic Construction
- Buna-N Check Valve and O-rings
- 2" NPT Suction & Discharge Ports
- Maximum Working Pressure 60 PSI
- Maximum Temperature 130° F
- Self-priming to 20 Ft.
- 2" Dewatering Construction
- 1/4" Diameter Solids Handling Capability
- Heavy Duty Cast Iron Bearing Housing Containing (2) Precision Sealed Ball Bearings
- 3/4" Diameter CNC Machined Shaft
- 1-3/8" x 3/16" x 3/32" Keyway
Share
